The NNC69D miniature electromagnetic relay can be applied to household appliances, PCB circuit board, industrial control system and automatic control system, etc.
CCC: 2011010303471250
CQC: CQC18002185694
TUV: R50390946
UL:E235027
| Contact form | 1H | ||
| Contact load | 5A(Inductive load) | 10A(Resistive load) | |
| Maximum switching voltage | 277VAC 5A 72VDC 5A | 277VAC 10A 72VDC 10A | |
| Contact material | Silver alloy | ||
| Rated voltage V | DC6V | DC12V | DC24V | DC48V |
| Rated current (±10%) mA | 33 | 16 | 8 | 4.0 |
| Coil resistance (±10%) Ω | 181 | 750 | 3000 | 12000 |
| Rated power consumption W | 0.2W | |||
| Pull-in voltage (Maximum) V | Below75% | |||
| Drop-out voltage(Minimum) V | Above10% | |||
| Allowable voltage(Maximum) V | Rated voltage×110% | |||
| Rated voltage V | DC6V | DC12V | DC24V | DC48V |
| Rated current (±10%) mA | 75 | 37 | 19 | 9 |
| Coil resistance (±10%) Ω | 80 | 324 | 1263 | 5333 |
| Rated power consumption W | 0.45W | |||
| Pull-in voltage (Maximum) V | Below 75% | |||
| Drop-out voltage(Minimum) V | Above 100% | |||
| Allowable voltage(Maximum) V | Rated voltage×110% | |||
| Coil voltage | DC:3 -48V | |
| Pull-in time | ≤10ms | |
| Drop-out time | ≤5ms | |
| Withstand voltage | Between the homopolar contacts | 1100VAC/1min(Leakage current 1mA) |
| Between the heteropolar contacts | / | |
| Between contactsand coil | 1800 VAC/1min( Leakage current 1mA) | |
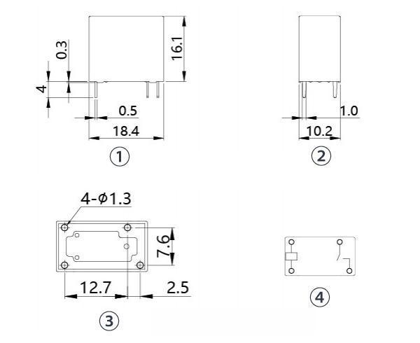
| Dimension | 18.4× 10.2 × 15. 3mm | |
| Weight | About 8g | |

① Front view; ② Side view; ③ Installation size; ④ Wiring diagram
Index
relay switch, electric switch, electrical device
Clion Electric Co.,Ltd.
Add.: No.319, Wei 18 Rd.,Yueqing Economic Development Zone,Yueqing City, Zhejiang Province, 325600
Contact Person: Tony Chen
Tel.: +86-577-57156992
Fax: +86-577-57572255
E-mail: clionrelay@hotmail.com
