The NNG1-3/250F-38 AC-AC 10A-120A three phase solid state relay is used in the automatic control filed like signal light, scintillator, stage lighting control system, instrument and apparatus, medical equipment, copier, automatic washing machine, automatic fire equipment and security system, and it also can be used as the selector switch of the power capacitor which be compensated by the network power factor. In addition, the NNG1-3/250F-38 AC-AC 10A-120A three phase solid state relay is widely used in the bad environment and frequent switching occasions like the chemical industry and coal industry which need prevent from explosion, damp, dust and erosion.
NN: Corporate identification
G: Solid state relay
1: Design number
3:Three-phase alternative current output
250: 032:Constant current input voltage: DC-3-32V 250:Alternative input voltage:AC90-250V
F: Enclosed type
-:Input control voltage:-Direct current~ Alternative current
38: Rated output voltage:38:40-440VAC
10:Rated output current:10A 15A 20A 25A 30A 40A 60A 80A 100A 120A
Z: Zero crossing type A:Direct current value
| Control voltage | 250:90-250VAC |
| Control current | 5-30mA |
| Connected voltage | 90VDC |
| Turn off voltage | 10VDC |
| Interval time | / |
| Load voltage | 38::40-440VAC |
| Load current | 10 15 20 25 30 40 60 80 100 120A |
| Transient voltage | 38:1600VAC |
| On-state voltage drop | AC:≤1.6VAC |
| On-off time | AC:≤10mS |
| Off-state leakage current | AC:≤10mA |
| Dielectric withstand voltage | ≥2500VAC |
| Insulation resistance | Testing in 500MΩ,500VDC |
| Environmental temperature | -30℃~80℃ |
| Installation style | Screw installation |
| Relay weight | 40A≈350g 80A≈370g 120A≈540g |
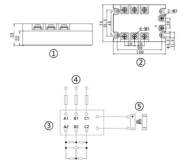
| Dimension | 106×75×33.5mm |
| Notice | When the load is more than 10A, the device must install the heat sink, and when the working temperature is more than 80℃, the device must be cooled by air fan or water. |

① Dimension figure; ② Install size; ③ Wiring diagram; ④ Load power supply; ⑤ Control power supply
Index
relay switch, electric switch, switching device
Clion Electric Co.,Ltd.
Add.: No. 319 Weishiba Road, Economic Development Zone, Yueqing City, Zhejiang Province
Contact Person: Tony Chen
Tel.: +86-577-57156992
Fax: +86-577-57572255
E-mail: clionrelay@hotmail.com
